精品案例
落地布置方案!

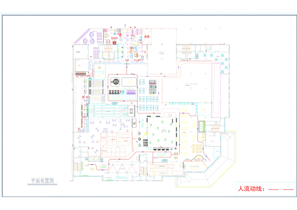
青海地区拥有一家占地630平方的电玩城,内设各类电玩设备。以下是场地规划及设备选择的分享。
首先,电玩城布局需合理规划,确保空间利用率。将热门设备如射击游戏、赛车游戏等置于显眼位置,方便顾客快速找到。同时,休闲区可设置在角落,营造轻松氛围。
其次,电玩设备选择应多样化。结合当地市场,推荐配置模拟赛车、动感街机、射击游戏等,满足不同年龄层的玩家需求。设备性能需稳定,确保玩家体验。
此外,电玩城内环境要舒适。合理利用灯光,营造沉浸式体验;保持场地清洁,提升玩家满意度。
通过以上规划,青海电玩城将成为玩家休闲的理想之地。

455平场地规划
我们的规划不是“游戏厅”,是“年轻人的社交场、家庭的亲子乐园、潮人的打卡点”。打造人流停留最久,联动性最高的体验业态。

328平场地规划
多样化的电玩城场地规划不仅仅是为了迎合市场需求,更是为了给顾客带来跟家丰富多彩的娱乐体验。通过丰富多样的游戏种类、个性化的专修设计,多样化的电玩城设计理念将成为电玩城发展的新趋势!
国内案例大赏
国外案例大赏
联系我们
请随时与我们联系
关于我们
我们的使命
我们正在招聘!
资源
教程
品牌资产
联系我们
18665688588
www.zhrj13149.com
正浩科技-20年电玩设备设备源头厂家!
20年电玩设备研发生产源头厂家,
主营各类大小电玩娱乐设备,可定制开发,整场规划,一站式全案。
https://user-assets.sxlcdn.com/images/1252744/FgYoZJn2Pse4fEyrKRht87klDEn6.jpg?imageMogr2/strip/auto-orient/thumbnail/1200x630>/quality/90!/interlace/1/format/jpeg
粤公网安备44011302004991号